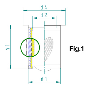
Сепаратор – это устройство, которое осуществляет разделение на компонентыс разными характеристиками (например, он может разделять одну жидкость отделить от другой —масло и вода). Его основная цель, это предотвращение попадания масла при подачи сжатого воздуха, таким образом, очищается сжатый воздух.


|
№ |
м3/мин |
Тип |
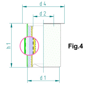
№ рис. |
d1 |
d2 |
d4 |
h1 |
h2 |
|
DF 5010 |
1 |
накручивающийся |
6 |
76 |
M22x1,5 |
62 |
123 |
0 |
|
DB 2001 |
1,5 |
вставка |
1 |
135 |
88 |
165 |
1140 |
12 |
|
DB 2002 |
2 |
вставка |
1 |
135 |
88 |
170 |
200 |
12 |
|
DF 5005 |
2 |
накручивающийся |
6 |
96 |
M24x1,5 |
62 |
210 |
0 |
|
DF 5006 |
3 |
накручивающийся |
6 |
136 |
M39x1,5 |
99 |
177 |
0 |
|
DB 2003 |
3,5 |
вставка |
1 |
135 |
88 |
170 |
305 |
12 |
|
DB 2006 |
3,5 |
вставка |
1 |
170 |
122 |
200 |
230 |
12 |
|
DB 2057 |
3,5 |
вставка |
2 |
135 |
75 |
170 |
160 |
0 |
|
DF 5009 |
4 |
накручивающийся |
6 |
108 |
M32x1,5 |
93 |
260 |
0 |
|
DB 2009 |
4,5 |
вставка |
1 |
170 |
122 |
200 |
305 |
12 |
|
DB 2074 |
4,5 |
вставка |
2 |
135 |
75 |
170 |
200 |
0 |
|
DB 2085 |
5 |
вставка |
2 |
170 |
108 |
200 |
180 |
0 |
|
DF 5004 |
5,5 |
накручивающийся |
6 |
136 |
M39x1,5 |
99 |
303 |
0 |
|
DB 2021 |
6,5 |
вставка |
1 |
275 |
219 |
328 |
250 |
0 |
|
DB 2012 |
7 |
вставка |
1 |
170 |
122 |
200 |
435 |
12 |
|
DB 2160 |
7 |
вставка |
3 |
170 |
108 |
200 |
230 |
0 |
|
DB 2186 |
7 |
вставка |
2 |
170 |
108 |
200 |
230 |
0 |
|
DB 2022 |
8 |
вставка |
1 |
275 |
219 |
328 |
305 |
120 |
|
DB 2018 |
8,5 |
вставка |
1 |
220 |
165 |
273 |
430 |
12 |
|
DB 2105 |
9 |
вставка |
2 |
220 |
157 |
273 |
230 |
0 |
|
DB 2319 |
9 |
вставка |
4 |
220 |
157 |
273 |
230 |
0 |
|
DB 2132 |
9,5 |
вставка |
2 |
170 |
108 |
200 |
305 |
0 |
|
DB 2020 |
12 |
вставка |
1 |
220 |
165 |
273 |
600 |
12 |
|
DB 2024 |
12 |
вставка |
1 |
275 |
219 |
324 |
448 |
12 |
|
DB 2104 |
12 |
вставка |
2 |
220 |
157 |
273 |
305 |
0 |
|
DB 2026 |
12,5 |
вставка |
1 |
300 |
243 |
348 |
445 |
12 |
|
DB 2027 |
14 |
вставка |
1 |
300 |
243 |
355 |
500 |
12 |
|
DB 2118 |
16 |
вставка |
2 |
220 |
157 |
288 |
400 |
0 |
|
DB 2130 |
16,5 |
вставка |
2 |
300 |
243 |
355 |
600 |
12 |
|
DB 2029 |
17 |
вставка |
1 |
300 |
243 |
355 |
600 |
12 |
|
DB 2353 |
18 |
вставка |
5 |
300 |
219 |
343 |
314 |
0 |
|
DB 2030 |
19 |
вставка |
1 |
300 |
243 |
355 |
660 |
12 |
|
DB 2082 |
19,5 |
вставка |
1 |
400 |
314 |
439 |
520 |
0 |
|
DB 2025 |
20 |
вставка |
1 |
220 |
219 |
324 |
750 |
12 |
|
DB 2138 |
20 |
вставка |
2 |
275 |
210 |
325 |
400 |
0 |
|
DB 2051 |
21,5 |
вставка |
1 |
275 |
243 |
348 |
750 |
12 |
|
DB 2102 |
22 |
вставка |
2 |
300 |
219 |
350 |
400 |
0 |
|
DB 2055 |
23,5 |
вставка |
1 |
300 |
243 |
355 |
820 |
12 |
|
DB 2061 |
23,5 |
вставка |
1 |
400 |
314 |
439 |
620 |
0 |
|
DB 2124 |
25 |
вставка |
2 |
220 |
157 |
273 |
612 |
0 |
|
DB 2084 |
25,5 |
вставка |
2 |
275 |
210 |
325 |
500 |
0 |
|
DB 2089 |
28 |
вставка |
2 |
300 |
219 |
355 |
500 |
0 |
|
DB 2147 |
29 |
вставка |
1 |
300 |
243 |
355 |
1000 |
12 |
|
DB 2090 |
34,5 |
вставка |
2 |
300 |
219 |
355 |
600 |
0 |
|
DB 2382 |
39 |
вставка |
5 |
393 |
304 |
439 |
510 |
5 |
|
DB 2167 |
40 |
вставка |
2 |
300 |
219 |
355 |
700 |
0 |
|
DB 2126 |
43 |
вставка |
2 |
400 |
314 |
439 |
600 |
0 |
|
DB 2129 |
44 |
вставка |
1 |
475 |
398 |
740 |
900 |
19 |
Мы поставляем сепараторы к винтовыым воздушным компрессорам таких известных компрессорных производителей компрессорного оборудования: Abac, Airpol, Aerzener, Almig, Alup, Atlas Copco, Atmos, Becker, Boge, Bottarini, Busch, Ceccato, CompАir, Demag, Dalgakiran, Domnick Hunter, Donaldson, Ecoair, Ekomak, Fiac, Fini, Gardner Denver, Hankison, Hiross, Hydrovane, Ingersoll Rand, Kaeser, Mahle, Mark, Mattei, MTA, Omi, Pneumofore, Rietschle, Rotorcomp, Ultrafilter, Worthington, WAN, Zander, Ремеза и пр.
Направляйте Ваши запросы на наш электронный адрес: info@sagena.com.ua или свяжитесь с нашими специалистами по телефону 044 362-60-28.
ALUP
|
21372450 |
DF 5009 |
17251004 |
DF 5010 |
21203391 |
DB 2012 |
21200110 |
DB 2009 |
|
17211105 |
DF 5043 |
17251001 |
DF 5005 |
17251002 |
DF 5044 |
21200201 |
DB 2006 |
|
17258112 |
DF 5045 |
17211102 |
DF 5009 |
17258112 |
DF 5043 |
17251002 |
DB 5044 |
|
17258111 |
DF 5004 |
21203292 |
DB 2024 |
17211102 |
DF 5004 |
17211105 |
DB 5043 |
|
17203382 |
DB 2467 |
21203378 |
DB 2133 |
21200531 |
DB 2002 |
17258112 |
DB 5045 |
|
|
|
21203380 |
DB 2089 |
21200109 |
DB 2003 |
36109231 |
DF 5005 |
Gardner Denver
|
03582228 |
DA 1046 |
03340028 |
DA 1117 |
221055 |
DA 1050 |
95150130230 |
DA 1180 |
|
03498328 |
DA 1118 |
87286889 |
DF 5014 |
221055 |
DF 5010 |
95040130322 |
DA 1096 |
|
03267728 |
DA 1029 |
89837609 |
DA 1284 |
95050130522 |
DA 1056 |
|
|
Atlas Copco
|
1513005800 |
DB 2135 |
2202929400 |
DF 5075 |
1202741900 |
DC 3085 |
1614437300 |
DC 3015 |
|
1613901400 |
DE 4025 |
2906095500 |
DC 3285 |
1622314001 |
|
1616465600 |
DC 3027 |
|
1612386900 |
DC 3001 |
1614704800 |
DC 3099 |
1613800700 |
DC 3110 |
1616283600 |
DC 3009 |
|
1613692100 |
DC 3066 |
1614952100 |
DC 3218 |
1613955900 |
DC 3217 |
1616465600 |
DC 3027 |
|
1613750200 |
DC 3077 |
1613243300 |
DC 3008 |
2901085800 |
DC 3219 |
2911011200 |
DA 1282 |
|
1622007900 |
DE 4033 |
2901196300 |
DC 3293 |
1622365600 |
DC 3266 |
2911011600 |
DA 1390 |
|
1622051600 |
DE 4039 |
1614532900 |
DA 1084 |
1616283600 |
DC 3009 |
1616283600 |
DC 3009 |
|
2901196300 |
DC 3292 |
2906075300 |
DC 3270 |
1622024500 |
DC 5005 |
1616465600 |
DC 3027 |
|
1622087100 |
DF 5005 |
1202641400 |
DC 3032 |
1622035101 |
DF 5009 |
2252631300 |
DC 3022 |
|
2202929400 |
DF 5078 |
1613688000 |
DC 3065 |
1622062300 |
DF 5010 |
1614905600 |
DC 3186 |
|
1614642300 |
DC 3051 |
1613839700 |
DC 3132 |
1616283600 |
DC 3009 |
1621938500 |
DC 3256 |
|
1614905400 |
DC 3185 |
1622314000 |
DE 4045 |
1616465600 |
DC 3027 |
1202872200 |
DC 3038 |
|
2906075100 |
DC 3265 |
2901056600 |
DC 3137 |
2252631301 |
DC 3021 |
1623051600 |
DC 3286 |
|
1623051500 |
DC 3285 |
1202834300 |
DF 5003 |
1619624800 |
DC 3003 |
1622314001 |
|
CompAir
|
98262.102 |
DB 2004 |
20047.307 |
DC 3019 |
00652674 |
DB 2020 |
10651774 |
DB 2353 |
|
98262.108 |
DC 3006 |
98262.8020 |
DC 3013 |
00614874 |
DB 2027 |
00348774 |
DB 2006 |
|
98262.77 |
DB 2013 |
98262.5072 |
DC 3050 |
05482874 |
DB 2064 |
04555974 |
DB 2002 |
|
98262.121 |
DB 2033 |
98262.5073 |
DC 3049 |
10012674 |
DB 2057 |
03560777 |
DC 3055 |
|
98262.121 |
DB 2160 |
98262.8026 |
DC 3016 |
00691674 |
DB 2018 |
04179274 |
DB 2043 |
|
98262.162 |
DB 2062 |
98262.8027 |
DC 3017 |
00542274 |
DB 2012 |
00702274 |
DB 2395 |
|
98262.119 |
DB 2051 |
98262.5079 |
DC 3044 |
10882474 |
DB 2130 |
11427474 |
DB 2185 |
|
98262.173 |
DB 2127 |
1311k08020 |
DB 2091 |
00702274 |
|
1801032 |
DA 1203 |
|
98262.174 |
DC 3056 |
98262.8046 |
DC 3071 |
98262.197 |
DB 2190 |
1801033 |
DA 1204 |
|
98262.13 |
DB 3056 |
98262.8023 |
DC 3002 |
98262.5133 |
DC 3093 |
1801063 |
DA 1049 |
|
11469.233 |
DA 1006 |
13088474 |
DB 2156 |
98262.5085 |
DC 3057 |
10882574 |
DB 2102 |
|
98262.214 |
DF 5010 |
13010174 |
DF 5006 |
98262.8045 |
DC 3069 |
11427274 |
DB 2107 |
|
98262.215 |
DF 5005 |
13138274 |
DB 2186 |
98262.5117 |
DC 3068 |
11427474 |
DB 2382 |
|
98262.216 |
DF 5006 |
10525274 |
DB 5004 |
98262.26 |
DB 2026 |
10494474 |
DB 2094 |
|
98262.223 |
DF 5004 |
10525274 |
DF 5004 |
98262.78 |
DB 2029 |
98262.33 |
DB 2007 |
|
10882574 |
DB 2012 |
10651774 |
DB 2095 |
98262.48 |
DB 2031 |
98262.23 |
DB 2022 |
|
10533574 |
DF 5005 |
|
|
98262.13 |
DC 3056 |
|
|
Ingersoll Rand
|
92042506 |
DB 2040 |
54625942 |
DB 2385 |
92128883 |
DB 2037 |
92871326 |
DB 2077 |
|
92522135 |
DB 2058 |
92702224 |
DB 2045 |
35577220 |
DB 2048 |
39504147 |
DB 2117 |
|
92077601 |
DB 2038 |
92087881 |
DB 2022 |
39863857 |
DB 2207 |
39712070 |
DB 2227 |
|
92808286 |
DB 2137 |
92719434 |
DB 2060 |
39726286 |
DB 2041 |
39863873 |
DB 2199 |
|
35579184 |
DB 2039 |
92062132 |
DB 2061 |
39863865 |
DB 2205 |
92735547 |
DB 2037 |
|
92866508 |
DB 2144 |
92699198 |
DB 2083 |
39705728 |
DB 2076 |
92765783 |
DB 2088 |
|
54749247 |
DB 5054 |
39900923 |
DB 2472 |
92824473 |
DB 2136 |
93188019 |
DB 2183 |
|
36762250 |
DB 2173 |
22388045 |
DB 5051 |
92754696 |
DB 2098 |
39737473 |
DB 2007 |
|
39705736 |
DB 2116 |
54749247 |
DB 5045 |
92722750 |
DB 2086 |
39751391 |
DB 2046 |
|
|
|
92754688 |
DB 2072 |
92785328 |
DB 2189 |
92890334 |
DB 2115 |
Worthington
|
6217900700 |
DF 5033 |
6221347800 |
DF 5005 |
6221341600 |
DB 2130 |
6259092100 |
DC 3241 |
|
6221347950 |
DC 3279 |
6259033600 |
DA 1073 |
6219070300 |
DC 3284 |
2200640593 |
DF 5019 |
|
6221372650 |
DF 5033 |
6221357850 |
DF 5009 |
6221338300 |
DC 3284 |
6221326900 |
DC 3104 |
|
6211384100 |
DA 1073 |
6221358250 |
DF 5004 |
2200640593 |
DF 5019 |
6221338300 |
DC 3241 |
|
|
|
|
|
|
|
6221319500 |
DA 1095 |